熱門關鍵詞: 電動牙刷電機航模電機打印機電機電動窗簾電機智能門鎖電機


型號:OT-12GAN20-10, OT-12GAN20-30, OT-12GAN20-75, OT-12GAN20-298
額度電壓 (V):12 , 5 , 4.5 , 4.5
扭轉速度 (rpm):1500 , 500 , 240 , 50
電流(A):0. 04 , 0.05 , 0.06 , 0.08
生產的電機產品與正齒齒輪箱、行星齒輪箱、編碼器、剎車器、控制器之間能夠形成許多的組合方案。
您可以將產品需求提供給我們市場銷售人員,我們將為您挑選或設計最適宜的組合方案。
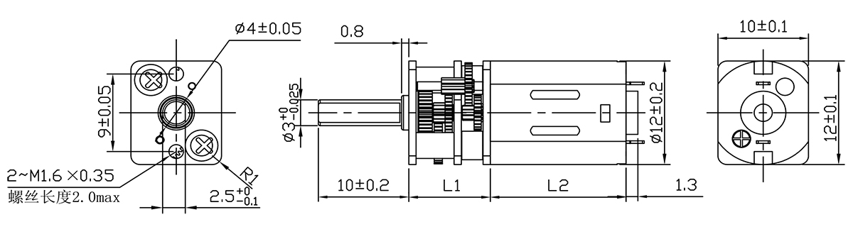
萬至達OT-12GA減速電機、電機齒輪箱、微型齒輪箱、雨刷器電機擁有精巧的結構和極高的功率傳輸,其性能絕對優異。轉矩和轉速高、噪音低且間隙低;OT-12GA減速電機幾乎能滿足一切要求。
萬至達減速電機針對不同客戶需求,將系列化產品通過改變輸出端零件結構、內部工藝參數、電氣連接等因素(例如:異性軸、高速軸承、法蘭螺紋連接、特殊電纜等等),能夠為您帶來極大的便利,更加可靠、高效地將您需要的產品及時送達。
減速電機應用于牙科綜合治療儀、胰島素注射泵、醫用注射泵、假肢、組織粉碎器、輪椅、磨骨
減速電機應用于紋身機、紋眉機、磨甲機
減速電機應用于車窗自動系統、空調系統、駕駛輔助系統、座椅調節
減速電機應用于電動打磨機、電動鉆孔、電動螺絲刀、自動切割機
減速電機應用于電動打磨機、電動鉆孔、電動螺絲刀、自動切割機