熱門關鍵詞: 電動牙刷電機航模電機打印機電機電動窗簾電機智能門鎖電機


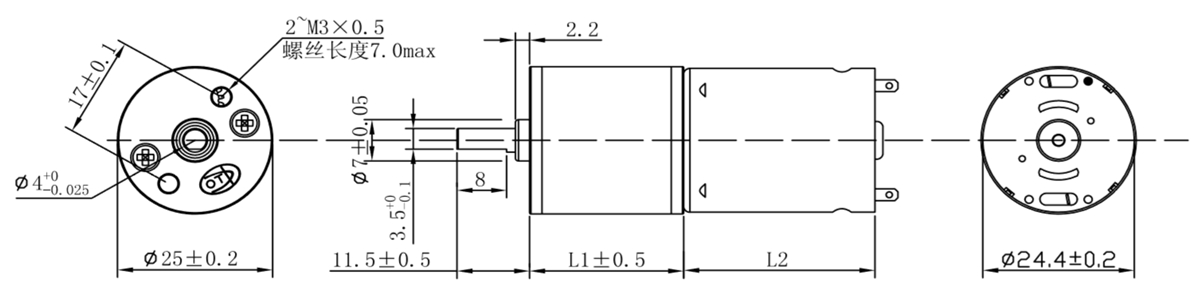
額定電壓:12V
空載速度:62rpm
額定轉速:50rpm
額定電流:0.52A
額定轉矩:245mN.m
生產的電機產品與正齒齒輪箱、行星齒輪箱、編碼器、剎車器、控制器之間能夠形成許多的組合方案。
您可以將產品需求提供給我們市場銷售人員,我們將為您挑選或設計最適宜的組合方案。
萬至達減速電機針對不同客戶需求,將系列化產品通過改變輸出端零件結構、內部工藝參數、電氣連接等因素(例如:異性軸、高速軸承、法蘭螺紋連接、特殊電纜等等),能夠為您帶來極大的便利,更加可靠、高效地將您需要的產品及時送達。
牙科綜合治療儀、胰島素注射泵、醫用注射泵、假肢、組織粉碎器、輪椅、磨骨
紋身機、紋眉機、磨甲機
車窗自動系統、空調系統、駕駛輔助系統、座椅調節
電動打磨機、電動鉆孔、電動螺絲刀、自動切割機
電動打磨機、電動鉆孔、電動螺絲刀、自動切割機