熱門關鍵詞: 電動牙刷電機航模電機打印機電機電動窗簾電機智能門鎖電機


型號:BL3650B3058Y1,BL3650B3237Y1,BL3650B5510Y1,BL3650B3552Y1
額定功率:8.2W,10.3W,43.9W,9.2W
額定電壓:24VDC,12VDC,12VDC,12VDC
額定轉速:5400rpm,3000rpm,10500rpm,1750rpm
生產的電機產品與正齒齒輪箱、行星齒輪箱、編碼器、剎車器、控制器之間能夠形成許多的組合方案。
您可以將產品需求提供給我們市場銷售人員,我們將為您挑選或設計最適宜的組合方案。
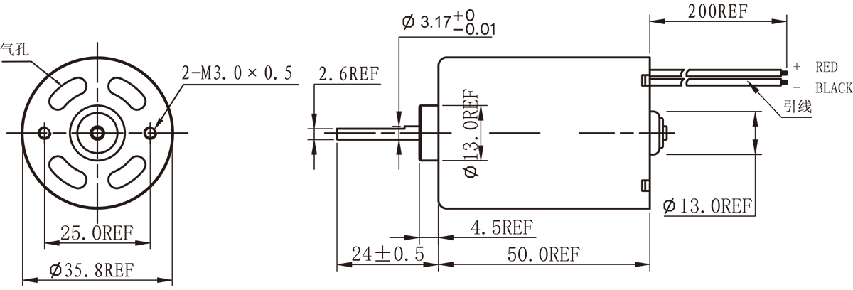
萬至達OT-EM3650B3745無刷電機、泵馬達、充氣泵電機、家用電器電機、劃船器電機擁有精巧的結構和極高的功率傳輸,其性能絕對優異。轉矩和轉速高、噪音低且間隙低;OT-EM3650B3745無刷電機幾乎能滿足一切要求。
萬至達電機針對不同客戶需求,將系列化產品通過改變輸出端零件結構、內部工藝參數、電氣連接等因素(例如:異性軸、高速軸承、法蘭螺紋連接、特殊電纜等等),能夠為您帶來極大的便利,更加可靠、高效地將您需要的產品及時送達。
無刷電機應用于牙科綜合治療儀、胰島素注射泵、醫用注射泵、假肢、組織粉碎器、輪椅、磨骨
無刷電機應用于紋身機、紋眉機、磨甲機
無刷電機應用于車窗自動系統、空調系統、駕駛輔助系統、座椅調節
無刷電機應用于電動打磨機、電動鉆孔、電動螺絲刀、自動切割機
無刷電機應用于電動打磨機、電動鉆孔、電動螺絲刀、自動切割機